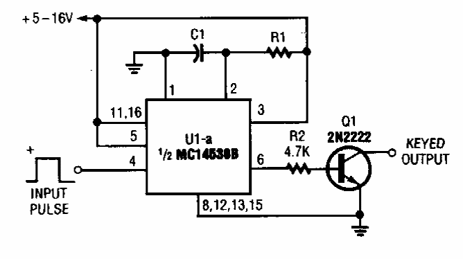
Este circuito foi encontrado numa Popular Electronics dos anos 90. Ele se baseia num duplo timer da Motorola comum na época. O circuito tem uma etapa para acionamento de indicador externo. R1 e C1 determinam a temporização.
Este circuito foi encontrado numa Popular Electronics dos anos 90. Ele se baseia num duplo timer da Motorola comum na época. O circuito tem uma etapa para acionamento de indicador externo. R1 e C1 determinam a temporização.