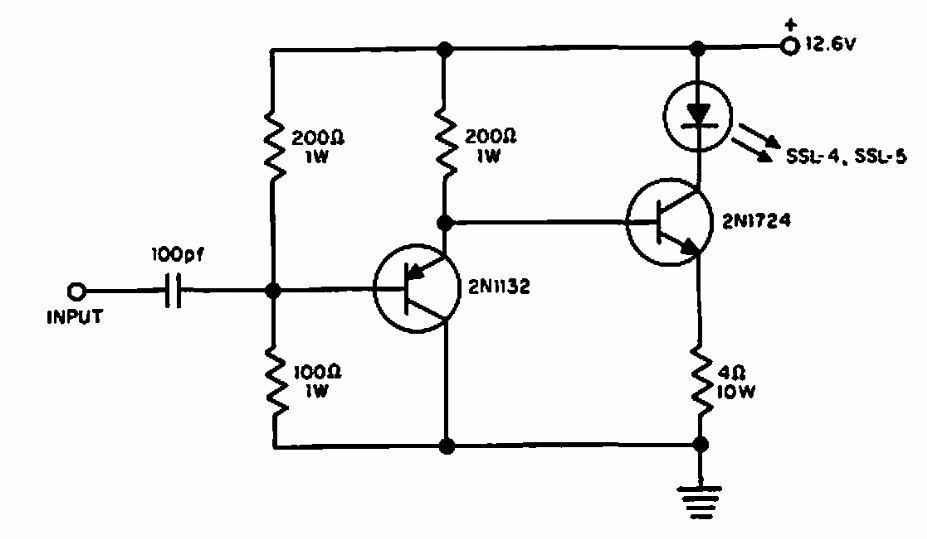
Este circuito foi encontrado em documentação da General Electric de 1970. Transistores equivalentes podem ser usados. A frequência máxima do sinal para os componentes usados é 250 kHz.
Este circuito foi encontrado em documentação da General Electric de 1970. Transistores equivalentes podem ser usados. A frequência máxima do sinal para os componentes usados é 250 kHz.