Controle de torque constante CIR15055S CB7936E (CIR18025)
Detalhes
Escrito por: Newton C. Braga
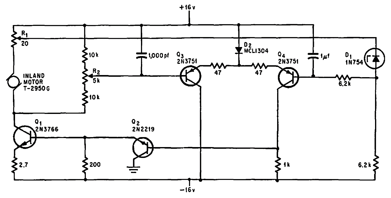
Encontrado numa publicação americana de 1968, este circuito tem por finalidade manter o torque de um motor DC constante. O transistor de potência depende do motor.