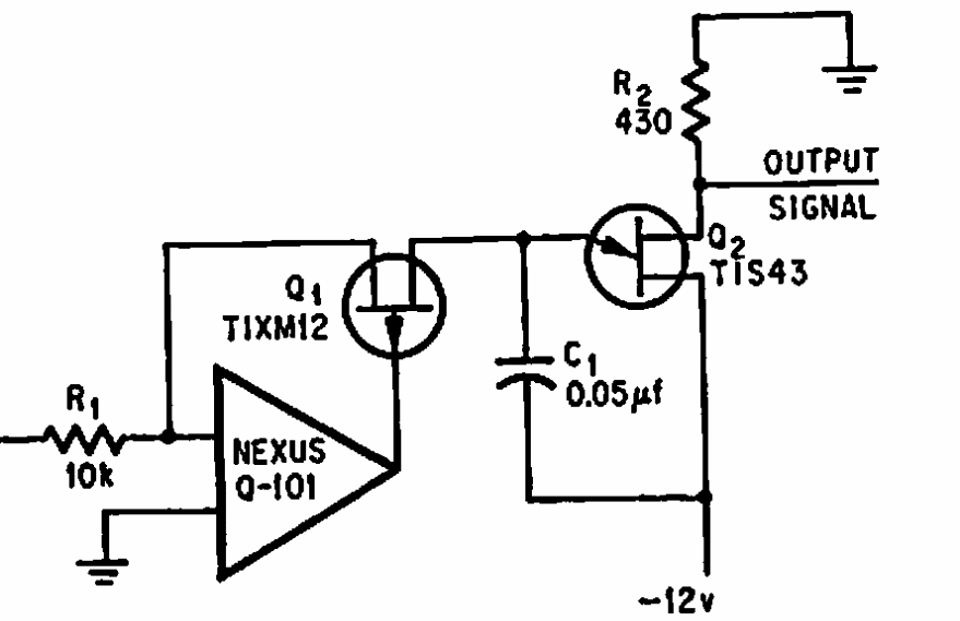
Este oscilador linear foi encontrado numa publicação de 1968. O amplificador operacional é da época. Tanto o FET como o integrado admitem equivalentes atuais.
Este oscilador linear foi encontrado numa publicação de 1968. O amplificador operacional é da época. Tanto o FET como o integrado admitem equivalentes atuais.