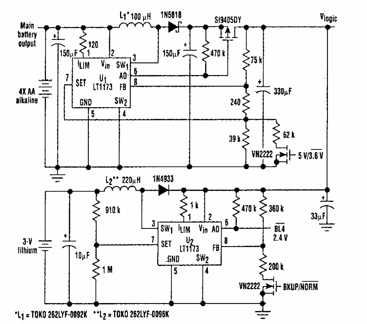
Encontrado numa Electronic Design dos anos 90, este circuito fornece tensões de 5 V e 3,6 V a partir de pilhas comuns AA. O circuito é indicado para alimentação de microcontroladores e aplicações IoT e vestíveis. O circuito usa componentes da época.
Encontrado numa Electronic Design dos anos 90, este circuito fornece tensões de 5 V e 3,6 V a partir de pilhas comuns AA. O circuito é indicado para alimentação de microcontroladores e aplicações IoT e vestíveis. O circuito usa componentes da época.