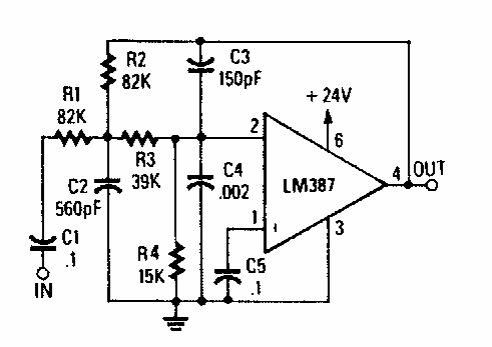
Este filtro para o ruído de arranhar comum em toca-discos foi encontrado numa Radio Electronics dos anos 90. O circuito usa componentes da época, podendo ser encontrado em outros pontos deste site e desta seção.
.

Este filtro para o ruído de arranhar comum em toca-discos foi encontrado numa Radio Electronics dos anos 90. O circuito usa componentes da época, podendo ser encontrado em outros pontos deste site e desta seção.
.
