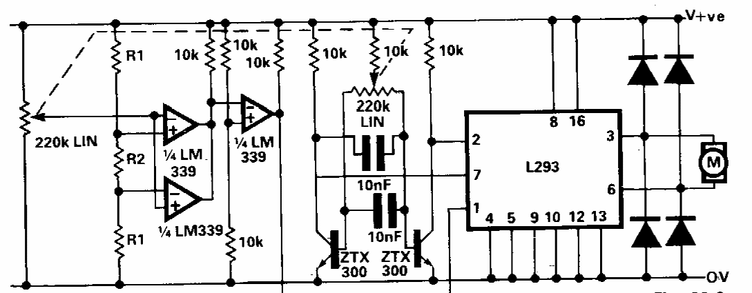
Este controle para motores até 1 A foi encontrado numa documentação da Siliconix usando um componente próprio. O circuito é do tipo PWM.

 


| Clique na imagem para ampliar |

 

 

 

NO YOUTUBE


NOSSO PODCAST