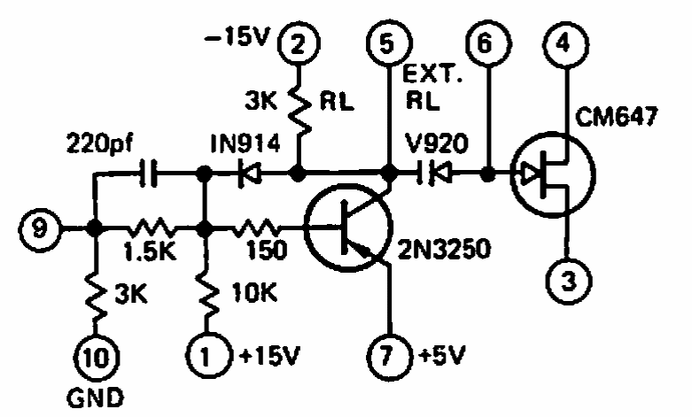
Encontrado em documentação americana de 1969, este circuito chaveia sinais com um FET da época. O circuito pode ser implementado com transistores equivalentes modernos.

 


| Clique na imagem para ampliar |

 

 

 

NO YOUTUBE


NOSSO PODCAST