Este artigo faz parte da série de livros Como testar Componentes, sendo encontrado no volume 3. Outros testes de componentes podem ser encontrados nesta seção de instrumentação.
O que são
Os Isolated Gate Bipolar Transistors ou Transistores Bipolares de Comporta Isolada são componentes de potência com estrutura e símbolos mostrados na figura 1.
Conforme podemos ver, entre o coletor e o emissor, a corrente flui da mesma forma que num transistor bipolar comum. Entretanto, o sinal que controla essa corrente é uma tensão de comporta, não existindo uma base, portanto.
Os IGBTs são componentes de alta potência sendo encontrados principalmente em aplicações industriais tais como controles de potência, inversores de frequência, e outras.
O que testar
O teste estático pode ser feito se levarmos em conta que esse componente se comporta ao mesmo tempo como um transistor bipolar e um MOSFET de potência. A medida das resistências entre os terminais pode ajudar a saber se ele se encontra bom ou ruim.
Nesse teste é preciso levar em conta que alguns tipos já incorporam um diodo de proteção, cuja presença vai afetar as medidas com o provador de continuidade ou multímetro. No entanto, com um circuito de prova, podemos realizar testes dinâmicos muito melhores, simulando seu funcionamento.
Instrumentos Usados
• Provador de continuidade
• Multímetro
• Circuito de prova
• Traçador de curvas e Osciloscópio
As Provas
Diversas são as provas que podem ser realizadas num IGBT para se determinar seu estado.
a. Prova de Continuidade
O que fazemos é medir a continuidade entre os terminais do componente, detectando eventualmente se o componente se encontra em curto. No entanto, anormalidades de funcionamento como um componente aberto, não é detectado por esta prova.
Procedimento
a) Coloque o multímetro numa escala intermediária de resistências (ohms x 10 ou ohms x100 se for analógico ou ainda 2 000/20 000 ohms se for digital). Zere o instrumento se for analógico. Para o provador de continuidade basta prepará-lo para uso.
b) Retire o componente do circuito e identifique os seus terminais.
c) Faça a prova combinada das resistências entre os terminais conforme a figura 2.
A figura 2 mostra como realizar a prova.
Interpretação da Prova
Se as resistências esperadas estiverem de acordo com a figura então provavelmente o componente se encontra bom (pelo menos não está em curto). No entanto, se uma das resistências altas for medida e der valor baixo, então o componente apresenta problemas.
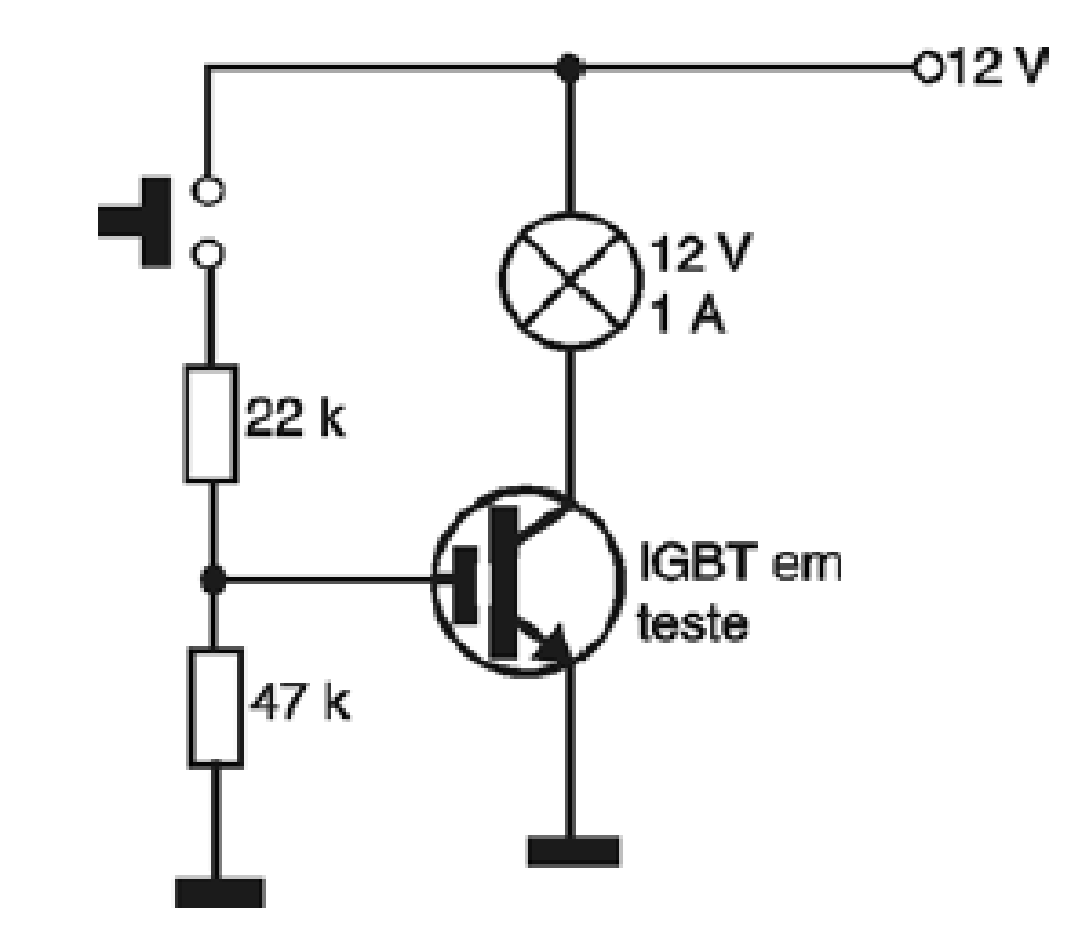
b. Circuito de Prova
Na figura 3 damos um circuito simples para a prova de IGBTs.
Procedimento:
a) Monte o circuito de teste, colocando o IGBT na posição correta. Para isso é preciso conhecer a sua pinagem. Não será preciso usar dissipador de calor, pois a corrente de prova é baixa.
b) Ligue inicialmente a alimentação, observando o que acontece com a lâmpada indicadora.
c) Depois, pressione S1 mantendo-o assim por alguns segundos, e observe novamente a lâmpada indicadora.
Interpretação da Prova
Ao colocar o IGBT no circuito a lâmpada permanece apagada. Ao pressionar S1 a lâmpada acende com brilho normal. Neste caso, podemos afirmar que o IGBT se encontra em bom estado. No entanto, se ao colocar o IGBT no circuito e ligá-lo, a lâmpada já acender, estamos diante de um componente em curto. Se o brilho da lâmpada for fraco, estaremos diante de um componente com fuga entre o coletor e o emissor.
Se, ao pressionar o interruptor S1 nada acontecer, permanecendo a lâmpada apagada, então estaremos diante de um componente aberto.
Outros Testes
Também podemos fazer um teste dinâmico do IGBT aplicando um sinal em sua base e observando a forma de onda na saída, conforme mostra a figura 4.
Neste caso, o gerador de funções deve ser ajustado para produzir um sinal retangular com 50% de ciclo ativo em 1 kHz. Sua amplitude deve ser ajustada para 5 V, já que a maioria dos IGBTs trabalha excitado por fontes TTL ou outros tipos de circuitos lógicos digitais com tensão de saída dessa ordem.
A carga pode ser um resistor de fio com o valor indicado no esquema. Esse procedimento permite observar a velocidade de comutação do IGBT, com uma forma de onda conforme a mostrada na figura 5.
Uma avaliação sobre o desempenho do componente em velocidades maiores pode ser feita ajustando-se o gerador de funções para produzir sinais de 10 kHz até mais de 100 kHz.
Observações
Será importante que o leitor tenha em mãos as características do IGBT em teste para ter certeza de que os resultados obtidos nos testes são corretos.
Lembramos que os IGBTs são comutadores para frequências que raramente ultrapassam 1 MHz. Sua faixa de operação é inferior a esses valores, os quais devem ser levados em conta nos testes.
c. Osciloscópio e Traçador de Curvas
Na figura 6 temos o teste de um IGBT usando o traçador de curvas descrito nesse livro e um osciloscópio, com a forma de sinal que deve ser visualizada para um componente em bom estado.
O circuito foi simulado no MultSim. Se o leitor tiver acesso a esse programa, desligue a comporta do transistor para ver como seria o sinal de um transistor aberto.






















