Este artigo descreve a montagem de um amplificador com o integrado TDA2005 que pode ter duas versões: uma versão estéreo com um único integrado e potência de 10 watts por canal, e uma segunda versão estéreo com dois integrados e 20 watts por canal. Você pode usar este amplificador para reforçar o som de seu carro ou então em aparelho de som convencional, de uso doméstico.
Integrados de potência para aplicações em amplificação de áudio já são relativamente comuns em nosso mercado. Aliando a simplicidade ao baixo custo, estes integrados permitem a realização de excelentes sistemas de som, como o que propomos.
O integrado TDA2005 pode fornecer 10 watts por canal em uma aplicação mais simples, já que possui dois amplificadores independentes, e sua alimentação permite o uso direto no carro.
Por outro lado, os dois amplificadores podem ser ligados em ponte de modo que, com o uso de dois integrados, formamos um excelente sistema de 20 watts por canal, conforme sugere a fig. 1
É claro que temos ainda uma terceira possibilidade que consiste no uso de um único integrado em ponte, obtendo-se assim um amplificador monofônico de 20 watts. Esta é uma excelente opção para sistemas de public-address.
Com um pequeno pré-amplificador podemos facilmente excitar o amplificador a plena potência.
Damos a seguir as características principais do TDA2005 para que o leitor tenha uma ideia do que ele pode fornecer em matéria de som:
Características
- Faixa de tensão de operação: 8 a 18 V;
- Corrente quiescente (14,4V): 150 mA (máx);
- Distorção (15W/4 ohms): 1% (Max.);
- Sensibilidade de entrada (2W/4 ohms): 9 mV;
- Resistência de entrada: 70 k (min.);
- Potência de saída (14/4 ohms): 20 watts.
As características dadas acima referem-se à aplicação em ponte.
O CIRCUITO
Poucos componentes externos são necessários para as duas aplicações, o que simplifica bastante a montagem. O integrado é dotado de recursos para a dissipação de calor, da ordem de 30 watts a plena potência, o que deve ser previsto no projeto.
Conforme o leitor verá, projetamos a placa de modo que este integrado possa ficar montado num dissipador de bom tamanho, ou fixado na própria caixa que alojará o aparelho.
Temos duas modalidades de operação já indicadas na introdução.
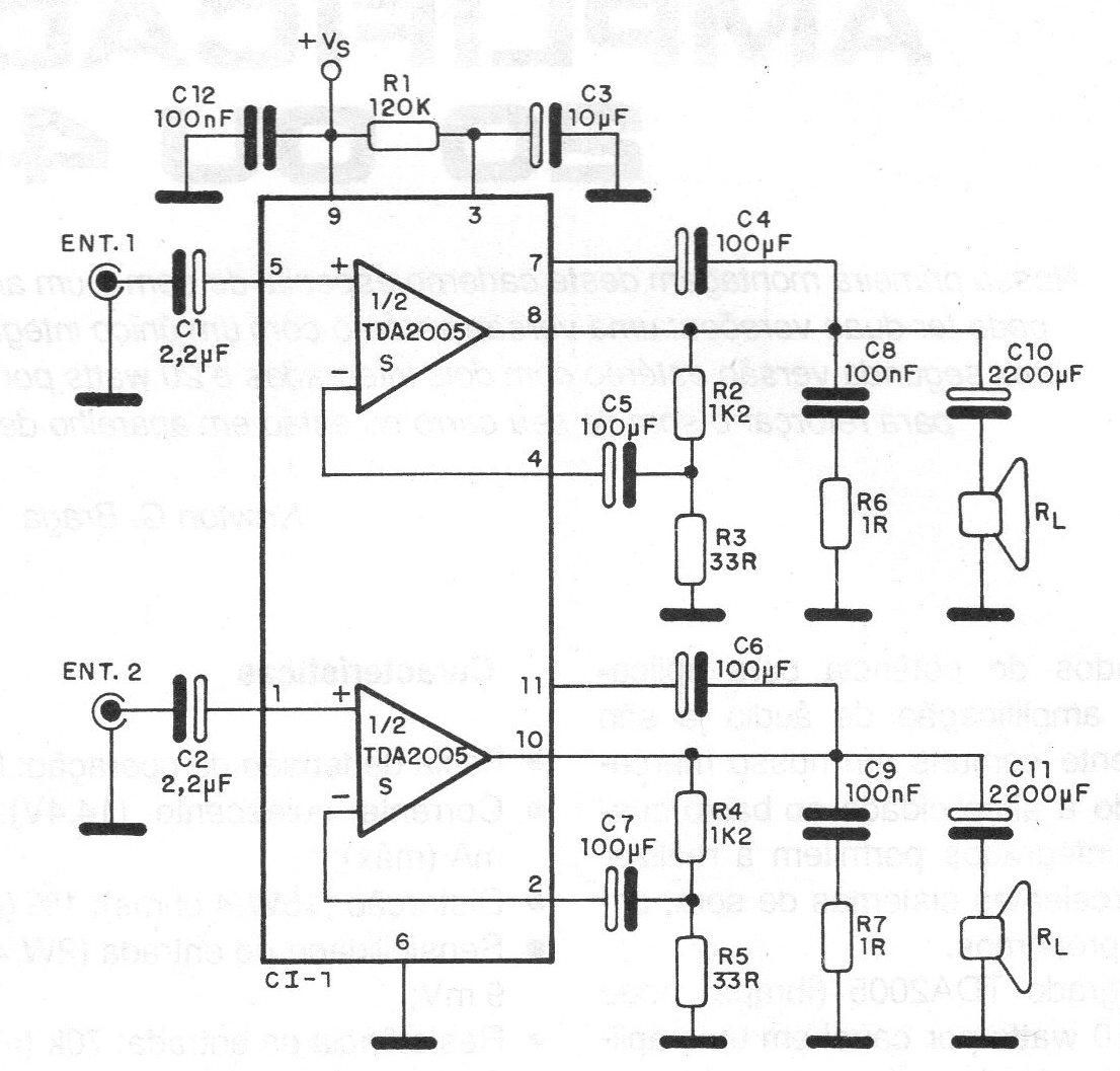
Na modalidade estereofônica simples, com apenas um integrado, cada amplificador interno do TDA2005 funciona separadamente, amplificando o sinal de um canal.
Nesta modalidade, com carga de 2 ohms e alimentação de 14,4 V, obtemos uma potência por canal de 10 watts. Com carga de 4 ohms a potência cai para 6,5 watts e com 3,2 ohms será de 8 watts.
Esta será a potência obtida por canal numa aplicação no carro, onde a tensão da bateria é da ordem de 13,6 V.
Conforme podemos observar pelo diagrama, os componentes básicos externos ao integrado consistem em capacitores eletrolíticos cuja tensão de trabalho deve ser de 16 V ou mais.
O ganho do amplificador é dado pela relação entre o resistor ligado entre os pinos 3 e 9 e o resistor ligado ao pino 8 do integrado.
Para uma aplicação típica o ganho serár de 50 dB e a resistência de entrada de 200 k (tip.).
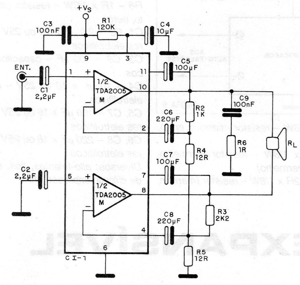
Na utilização em ponte, temos uma ligação feita de modo simplificado conforme mostra a figura 2.
Os amplificadores internos ao integrado TDA2005 funcionam em oposição de fase, de modo que num semiciclo, enquanto uma saída se encontra com uma tensão positiva, a outra se encontra negativa.
Com este recurso pode-se eliminar o capacitor de alto-valor de acoplamento ao alto-falante e obter-se maior potência de saída.
Como os amplificadores internos do TDA2005 já possuem entradas inversoras, e não inversoras acessíveis, a ligação em ponte é extremamente simples, o que facilita a elaboração do projeto.
Não necessitamos então de inversores externos.
As características do amplificador nesta configuração são dadas na introdução.
Para alimentar o circuito podemos partir diretamente da bateria do carro, se for esta a aplicação desejada. Para uma aplicação doméstica devemos ter uma fonte apropriada.
A corrente média para cada amplificador em ponte a plena potência é de 3,5 A, o que significa que precisamos de uma fonte de 7A pelo menos para a versão de 40 watts.
Para a versão estéreo de 20 watts a corrente será de 3,5A.
Na figura 3 damos um circuito de fonte que serve para as duas versões: o transformador apenas será mudado em função da corrente que cada uma necessita.
E importante que nestas fontes os capacitores eletrolíticos sejam de grande valor, de modo a garantir uma perfeita filtragem e também estabilidade de tensão de saída.
Somente deste modo não teremos roncos, distorções ou perda de potência.
Os eletrolíticos devem ser para 25 V ou mais de tensão de trabalho.
MONTAGEM
Começamos por dar o diagrama completo da versão estéreo de 10+10 W com um integrado que é mostrado na figura 4.
A placa de circuito impresso para esta versão é mostrada na figura 5.
Observe que o integrado deve ser firmemente fixo no dissipador de calor de grande porte.
A versão de 20+20 W com dois integrados tem um dos canais mostrado na figura 6.
Para obter o sistema completo devemos montar duas placas iguais a esta e ligá-las na mesma fonte de alimentação.
A placa de circuito impresso é mostrada na figura 7.
Será interessante montar as duas unidades em caixa de metal com o negativo aterrado. Deste modo, o radiador de calor do integrado deve ser isolado.
Os cabos de entrada deverão ser blindados. Os resistores para as duas versões podem ser de 1/8 ou ¼ W com 10% ou 20% de tolerância.
Os capacitores eletrolíticos devem ter tensões de trabalho de pelo menos 25 V.
Os cabos de entrada dos sinais devem ser blindados com as malhas aterradas. Já os cabos de saída para os alto-falantes devem ser grossos dada a baixa impedância. Com isso evitam-se perdas de potência ou oscilações.
Na alimentação no carro é conveniente proteger a entrada do circuito com um fusível de 10 A.
PROVA E USO
A obtenção de 2 ohms de impedância com alto-falante de 4 ou 8 ohms é simples, sendo mostrada na figura 8.
Os alto-falantes em conjunto devem somar uma potência maior que a do amplificador para que não sofram danos ao ser aberto todo o volume.
Se tivermos 20 watts por canal, todos os alto-falantes devem ser iguais, e para 2 cada um deve suportar pelo menos 10 W.
Se o amplificador for usado como reforçador para um toca-fitas ou ainda rádio de FM, devemos usar uma carga de saída para o aparelho fonte de sinal, conforme mostra a figura 9.
Sem esta carga ocorrem distorções. No caso desta aplicação, o volume será controlado no próprio aparelho excitador.
Numa aplicação em som doméstico deve ser usado um pré-amplificador que possua controle de tom e volume.
Procure um circuito de pré-amplificador que seja alimentado pela mesma tensão do amplificador e tenha uma saída de até 1 Vpp. Qualquer pré-amplificador que forneça pelo menos 100 mV (0,1V) certamente excitará a entrada deste amplificador a toda potência, sem problemas.
Se usar alto-falantes para graves e agudos, não se esqueça de utilizar capacitores em série com tweeter para não sobrecarregar o circuito.
LISTA DE MATERIAL
CIRCUITO DA FIGURA 4
CI-1 - TDA 2005S
R1 – 120 k x 1/8 W - resistor (marrom, vermelho, amarelo)
R2, R4 - 1k2 x 1/8 W - resistores (marrom, vermelho, vermelho)
R3, R5 – 33 R x 1/8 W - resistores (laranja, laranja, preto)
R6, R7 - 1R x 1/8 W - resistores (marrom, preto, ouro)
C1, C2 ~ 2,2,uF x 16 ou 25 V- capacitores eletrolíticos
C3 - 10,uF x 16 ou 25 V - capacitor eletrolítico
C4, C5, C6, C7 - 100,uF x 16 ou 25 V capacitores eletrolíticos
C8, C9, C12 - 100 nF - capacitores cerâmicos
C10, C11 - 2200 uF x 16 ou 25 V - capacitores eletrolíticos
Diversos: alto-falantes, fios, solda, placa de circuito impresso, jaques, plugues etc.
CIRCUITO DA FIGURA 6 (1 CANAL)
CI1 - TDA 2005M
R1 – 120 k x 1/8W - resistor (marrom, vermelho, amarelo)
R2 – 1 k 1/8 W - resistor (marrom, preto, vermelho)
R3 - 2k2 x 1/8 W - resistor (vermelho, vermelho, vermelho)
R4, R5 - 12R x 1/8 W- resistor (marrom, vermelho, preto)
R5 - 1R x 1/8W - resistor (marrom, preto, ouro)
C1, C2 - 2,2 uF x 16 ou 25 V - capacitores eletrolíticos
C3, C9 - 100 nF - capacitores cerâmicos
C4 - 10 uF x 16 ou 25V – capacitores eletrolíticos
C5, C7 – 100 uF x 16 ou 25 V - capacitores eletrolíticos
C6, C8 - 220 uF x 16 ou 25V - capacitores eletrolíticos
Diversos: alto-falantes, fios, solda, placa de circuito impresso etc.
























