Esta é uma das revistas antigas de maior sucesso no passado tendo sido criada por Hugo Gernsback em 1919. Não tenho exemplares físicos em minha coleção, mas tenho as edições virtuais que podem ser baixadas pelo link no final deste artigo.

Era uma legítima revista maker o FVM (Faça Você Mesmo) com enorme quantidade de projetos práticos muito bem ilustrados que podiam ser elaborados com componentes da época. É claro que naquela época, muitos componentes não eram encontrados em lojas devendo ser fabricados pelo próprio montador como sugere um deles na figura 2.

Foi uma das revistas que, contando com as mudanças de título mais publicou edições ao longo de sua história ficando próxima da Revista Saber Eletrônica. A Radio News publicou 477 edições contra 420 da Revista Saber Eletrônica em suas duas fases.
Ela passou por diversas mudanças começando com a retirada do título “Amateur” em 1920, passando a ser uma revista geral de rádio que era o elemento básico do que chamamos hoje de eletrônica.

A outra mudança importante ocorreu em 1948 quando a palavra Television foi incluída em suas capas, já que a TV era a grande novidade tecnológica da época. Na figura 4 temos a capa da revista em que ocorreu a mudança em 1948.

Finalmente tivemos em 1959 a mudança que perdurou até seu fechamento. Nessa mudança a revista tirou a palavra radio passando a ser denominada Electronics World, conforme mostra a figura 5.


É claro que acompanhando a evolução da indústria gráfica o aspecto da revista também mudou ao longo do tempo. Passando das edições monocromáticas no interior e apenas com cores nas capas chegamos aos anos finais com a impressão totalmente em cores, uso de muitas fotos e desenhos bem detalhados dos artigos.
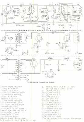
Os projetos eram descritos no formato lógico adotado pela maioria das revistas de eletrônica que tratam de montagens. Uma descrição do projeto, funcionamento, montagem e ajustes além de uma detalhada lista de materiais.
Na figura 6 temos um exemplo de página de projeto de uma edição antiga.

Evidentemente com a evolução da eletrônica e a padronização da simbologia, as revistas passaram a ter normas para o desenho de diagramas. No caso, por ser a revista Note Americana a padronização da simbologia foi a americana.
Nas páginas dessa revista encontramos nomes que se tornaram famosos no mundo das revistas e dos quais pretendo criar uma série de artigos no futuro falando da vida de cada um.
No link abaixo você pode encontrar todos os exemplares desta revista para download gratuito.
https://www.worldradiohistory.com/Radio_News_Master_Page_Guide.htm















