Até o momento tudo é festa. O congelamento está funcionando. O plano cruzado tem que dar certo! Qualquer economia aqui e ali no final representa uma quantia útil e sua presença, creia leitor, será notada pelo mais displicente dos mortais.
Nota: Artigo publicado na revista Eléctron 06.
Um dos grandes comedores de nosso orçamento doméstico é inegavelmente o automóvel, que chega a devorar quase 40%. Ajustes constantes suavizam a insaciável fome do nosso amigo, porém apenas trans- ferimos a economia para o bolso do mecânico.
Uma das coisas que mais afeta o equilíbrio do consumo de um automóvel é o seu sistema de ignição, que apresenta um mal, o de fazer o platinado trabalhar com alta corrente. Isso provoca seu desajuste e consequentemente o consumo passa a aumentar numa progressão geométrica.
A colocação de uma ignição eletrônica, elimina do platinado a alta corrente e faz com que ele se mantenha ajustado por período superior a seis meses. O consumo real será diminuído, nunca em um índice superior aos 6%. Todavia, o consumo relativo terá uma diminuição de mais de 20%, além de estender a vida útil das velas.
Entende-se por consumo real a diferença entre um motor com sistema normal e outro com motor com sistema de ignição eletrônica.
No consumo relativo, entende-se que com o passar do tempo o motor convencional aumente de consumo, pois o platinado irá ser "queimado" pela alta corrente de trabalho e o índice de consumo estará aumentando a cada dia que passa. Já com o outro motor isso não vem a ocorrer, pois nesse sistema, o platinado é apenas um sensor, que indica aos demais componentes o momento em que devem soltar a faísca para a vela correspondente.
Enquanto no sistema convencional a corrente que passa pelo platinado fica em torno dos 4 ampères, no sistema eletrônico essa corrente nunca supera os 0,25 ampères! Dessa maneira, podemos concluir que o platinado de um carro com o sistema convencional, já estará desregulado a partir da primeira semana após a sua revisão ou troca.
Existem sistemas de ignição que eliminam o platinado. Acreditamos que tais sistemas representam uma faca com dois gumes, pois numa pane o carro só sairá do local a guincho. Imagine só dizer ao mecânico:
- Acredito que o problema seja do transistor!
Com o platinado embutido no sistema, uma eventual pane e é só comutar a chave para trocar de sistema e dar no pé...
A ignição eletrônica que passamos a descrever, é do sistema por descarga capacitiva. Estes aparelhos possuem um inversor transistorizado que eleva a tensão da bateria para um valor bem alto, tensão esta que é usada para carregar um capacitor.
O capacitor está em série com o primário da bobina de ignição e tem por interruptor, que fecha o circuito, um diodo SCR (diodo controlado de silício). O disparo do diodo SCR é feito por um sensor ou platinado, instalado no distribuidor.
A alta tensão do capacitor permite obter uma faísca de boa energia na bobina, isso sem se falar na velocidade de ação do diodo SCR que apenas com um pulso do sensor, mesmo que de curta duração, permanece ligado até a descarga completa do 10 capacitor, o que permite obter uma faísca constante independente da rotação do motor. Veja a figura 1.

Na figura 2 mostramos o gráfico ALTA TENSÃO X NÚMERO DE FAÍSCAS, onde podemos melhor avaliar um sistema convencional versus o sistema por descarga capacitiva.
O projeto que apresentamos ao leitor, acreditamos, é um dos mais simples sem, contudo, desprezar a sua alta confiabilidade e o seu desempenho. Para que o leitor tenha fixação de como é bom o sistema eletrônico aqui estão algumas de suas vantagens:
a) faísca de maior energia em qualquer rotação.
b) melhor aproveitamento do combustível.
c) as marchas de baixa velocidade são me- nos empregadas.
d) menor corrente de platinado. Isso faz com que um platinado tenha uma vida útil superior aos 60.000 Km!
e) partida a frio mais rápidas. Ideal para carros à álcool.
f) maior durabilidade para as velas, de- vido a redução da formação de depósitos, pelo melhor aproveitamento da queima total da mistura.

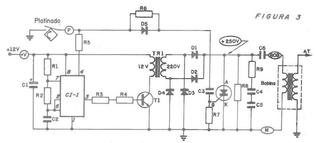
O CIRCUITO
A figura 3 ilustra o diagrama esquemático da ignição eletrônica por descarga capacitiva. Para uma melhor descrição do projeto vamos subdividi-lo em duas partes: circuito inversor e parte da descarga capacitiva.
- circuito inversor.
Esta é a parte que faz com que obtenhamos a tensão elevada para carregar o capacitor de disparo. Acreditamos que não há um circuito inversor fácil de se elaborar com o nosso e de eficiência idêntica aos que utilizam transformadores com núcleo toroidal de difícil obtenção no mercado.
O oscilador é desempenhado pelo circuito integrado 555, que fará com que o transistor T1 fique momentaneamente em saturação, o que em ciclos repetitivos transformara a corrente contínua numa corrente de pulsos. Somente assim poderemos transformá-la. No secundário do transformador aparecerá uma tensão quase 20 vezes superior à tensão da bateria, que é de 12 volts.
O transistor T1 é nosso velho conhecido 2N3055, que deverá ser montado num dissipador apropriado. Os resistores R3 e R4 limitam a corrente de base que é altíssima e que poderia destruir o circuito linear 555, que em sua saída (pino 3) admite só 300 mA. O sensor de disparo na realidade o platinado, que doravante passa a ter uma cor- rente de 180 mA.
A frequência de oscilação de nosso conversor é da ordem dos 3.500 Hz e tal frequência é determinada pelos componentes R2 e C2. A frequência é calculada a partir da seguinte fórmula:
f = 0,72 / (R2 x C2)
O capacitor eletrolítico C1 age como desacoplador, eliminando assim possíveis perturbações vindas do alternador que eventualmente poderia afetar o funcionamento da ignição.
- parte da descarga capacitiva
O secundário do transformador TR1 em conjunto com os diodos retificadores D1 a D4, são os elementos intermediários das duas partes que compõe a ignição.
A tensão pulsante obtida no primário pelo chaveamento constante do transistor T1 comandado pelo oscilador CI1, é trans- formada e aumentada em sua intensidade pelo secundário do transformador. Para o estágio seguinte, a tensão de trabalho de- verá ser contínua, logo, a tensão alternada obtida de 220 volts será retificada pelos diodos D1 a D4 dispostos em circuito ponte, que filtrará a tensão no sistema em onda completa.

Conforme foi dito anteriormente, o transformador empregado é um simples, com primário para 110, 220 volts e secundário 1x12x1A, particularmente aqui nesta montagem os elementos desse transforma- dor inverter-se-ão: o secundário passa a ser primário e o primário passa a ser secundário. Assim no enrolamento de alta tensão, a derivação 110 volts será eliminada, pois nada iremos fazer com tal derivação.
O capacitor de disparo, C6 é do tipo epóxi de 1uFx650 volts. Ele será disparado pelo diodo SCR, que permanecerá conduzindo até que a tensão caia para o nível de 50 volts, então ele volta a bloquear e o capacitor C6 tornará a recarregar os 250 volts contínuos que são fornecidos pelo sistema inversor.
Para o primário da bobina isso terá a forma de um impulso de 200 volts de amplitude com uma duração de 0,5 milissegundos conforme, mostra a figura 4.

Assim a ignição fará com que o secundário da bobina atinja os 40 Kv aproximadamente em qualquer rotação (máximo: 6000 RPM), contra os 8Kv de um sistema convencional, no melhor índice de rotações, entre 2000 a 3000 RPM.
O resistor R5 limita a corrente do platinado em torno dos 180mA.
Os resistores R6 e R7 regulam o tempo de carga e descarga do capacitor C3, que isola o gatilho do SCR do circuito. No instante em que o platinado fecha, C3 é imediatamente carregado e no momento de sua abertura, C3 descarrega via resistor R7. Ao atingir um nível acima dos 0,7 volts o SCR dispara e passa a conduzir, libertando a energia acumulada no capacitor C6 para o primário da bobina.
Os componentes R8, R9, C4 e C5 são filtros e estão dispostos no sentido de proteger o diodo SCR contra os picos inversos de altíssima intensidade, gerados pela bobina de ignição.
MONTAGEM
A figura 5 mostra em tamanho natural, o desenho da placa de circuito impresso, ao passo que na figura 6 aparece o desenho do chapeado, também em tamanho natural.
Aconselhamos que o circuito eletrônico da ignição, seja alojado numa caixa de alumínio, assim o transistor T1, poderá ser montado diretamente na caixa, que servirá como um ótimo dissipador. A figura 7 ilustra os cuidados que devemos ter ao montá-lo.

O diodo SCR deverá ser fixado na placa de circuito impresso com um pequeno dissipador em forma de L feito de chapa de alumínio.
INSTALAÇÃO
Após um rigoroso exame anti-gatos estamos prontos para instalarmos a milagrosa no possante. Não tenha pressa, estude várias alternativas e fique com a que melhor proporcionar: a) local isento de calor; b) isento de água e c) próximo da bobina. A figura 8 mostra em blocos, o sistema de ignição convencional, ao passo que a figura 9 o sistema com a ignição eletrônica instalada.

NOTAR que o terminal negativo (-) da bobina será ligado ao ponto BOB da ignição e que o terminal positivo (+) será aterrado.


















