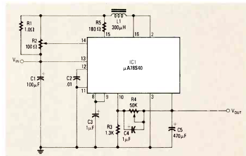
Este regulador redutor (step down) foi encontrado na revista Radio Electronics de dezembro de 1985. O circuito tem uma tensão de entrada de 25V.

Este regulador redutor (step down) foi encontrado na revista Radio Electronics de dezembro de 1985. O circuito tem uma tensão de entrada de 25V.
