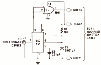
Temos muitas versões de biofeedback com o 555 neste site. Esta é mais uma delas. Encontramos na revista Radio Radio Electronics de outubro de 1986. A alimentação deve ser isolada.

Temos muitas versões de biofeedback com o 555 neste site. Esta é mais uma delas. Encontramos na revista Radio Radio Electronics de outubro de 1986. A alimentação deve ser isolada.
