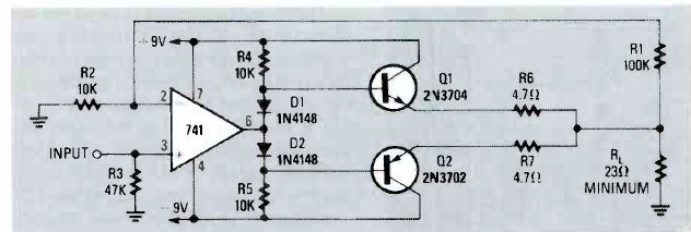
Este amplificador de áudio com transistores de uso geral na saída foi encontrado na revista Radio Electronics de março de 1990. A fonte de alimentação deve ser simétrica.

Este amplificador de áudio com transistores de uso geral na saída foi encontrado na revista Radio Electronics de março de 1990. A fonte de alimentação deve ser simétrica.
