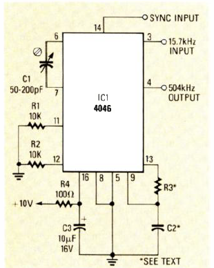
A finalidade deste circuito PLL que encontramos na revista Radio Electronics de novembro de 1986 é dividir a frequência de um sinal por 32. Entra 504 kHz e sai 15,7 kHz. O circuito é usado com sinais de vídeo.

A finalidade deste circuito PLL que encontramos na revista Radio Electronics de novembro de 1986 é dividir a frequência de um sinal por 32. Entra 504 kHz e sai 15,7 kHz. O circuito é usado com sinais de vídeo.
