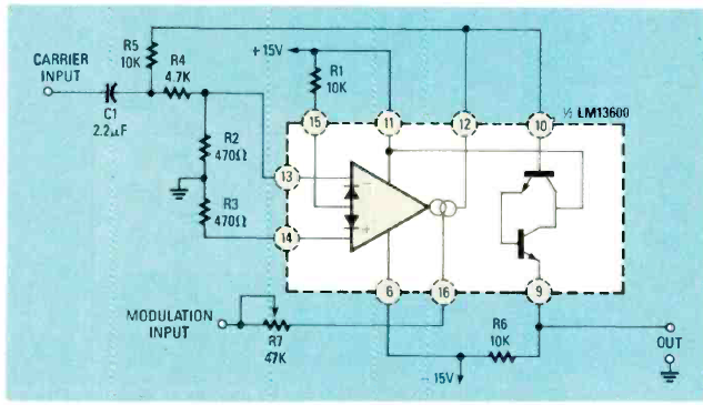
Este circuito é um multiplicador de quatro quadrantes usando um LM3900. O circuito foi encontrado na revista Radio Electronics de julho de 1988.

Este circuito é um multiplicador de quatro quadrantes usando um LM3900. O circuito foi encontrado na revista Radio Electronics de julho de 1988.
