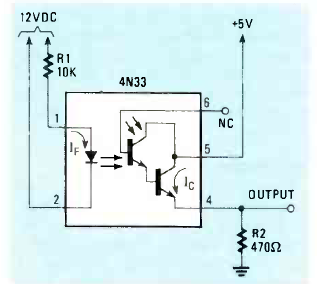
Na figura temos o modo de se usar um sinal de 12 V para disparar uma porta TTL por meio de um acoplador óptico. O circuito é de uma Radio Electronics de maio de 1985.

Na figura temos o modo de se usar um sinal de 12 V para disparar uma porta TTL por meio de um acoplador óptico. O circuito é de uma Radio Electronics de maio de 1985.
