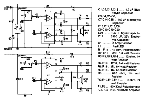
Usando os circuitos integrados NEC 70001 AB este amplificador estéreo de 20 W por canal foi republicado no PE-Hobbyst Handbook numa edição dos anos 95. O circuito sai em diversas publicações. Esta é de 1995.

Usando os circuitos integrados NEC 70001 AB este amplificador estéreo de 20 W por canal foi republicado no PE-Hobbyst Handbook numa edição dos anos 95. O circuito sai em diversas publicações. Esta é de 1995.
