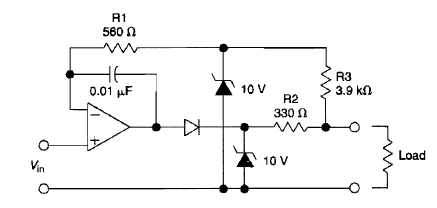
Encontramos este circuito de proteção para operacionais na Enciclopédia de Circuitos Eletrônicos Volume 5 de 1995. O circuito protege contra excesso de corrente ou tensão no circuito de carga.

Encontramos este circuito de proteção para operacionais na Enciclopédia de Circuitos Eletrônicos Volume 5 de 1995. O circuito protege contra excesso de corrente ou tensão no circuito de carga.
