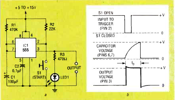
Num artigo da Radio Electronics de setembro de 1992 encontramos este circuito básico do 555 usado para gerar tempos fixos. O capacitor C1 e o resistor R1 determinam o tempo. O circuito aciona um LED.

Num artigo da Radio Electronics de setembro de 1992 encontramos este circuito básico do 555 usado para gerar tempos fixos. O capacitor C1 e o resistor R1 determinam o tempo. O circuito aciona um LED.
