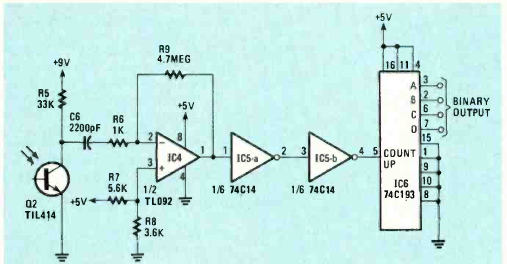
Este parai circuito para receber os sinais do transmissor anterior. O circuito usa um fototransistor comum. Foi encontrado na revista Radio Electronics de agosto de 1984.

Este parai circuito para receber os sinais do transmissor anterior. O circuito usa um fototransistor comum. Foi encontrado na revista Radio Electronics de agosto de 1984.
