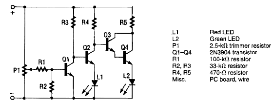
Este circuito de uso automotivo foi encontrado numa Electronics Hobbyst de 1991. Os transistores são tipos de uso geral. P1 ajusta e tensão de monitoramento.

Este circuito de uso automotivo foi encontrado numa Electronics Hobbyst de 1991. Os transistores são tipos de uso geral. P1 ajusta e tensão de monitoramento.
