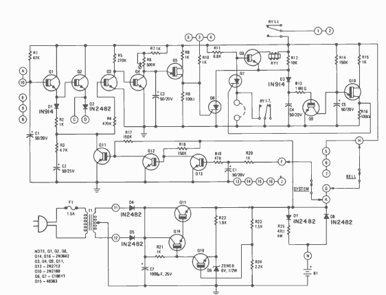
Este circuito foi obtido na revista Radio Electronics de setembro de 1977. O circuito se baseia totalmente em transistores e dois SCRs, A fonte de alimentação com a inclusão de bateria são dados.

Este circuito foi obtido na revista Radio Electronics de setembro de 1977. O circuito se baseia totalmente em transistores e dois SCRs, A fonte de alimentação com a inclusão de bateria são dados.
