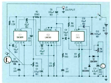
Este circuito recebe os sinais modulados refletidos por um laser numa vidraça, possibilitando a escuta de conversas. O circuito é de um projeto da revista Radio Electronics de outubro de 1987

Este circuito recebe os sinais modulados refletidos por um laser numa vidraça, possibilitando a escuta de conversas. O circuito é de um projeto da revista Radio Electronics de outubro de 1987
