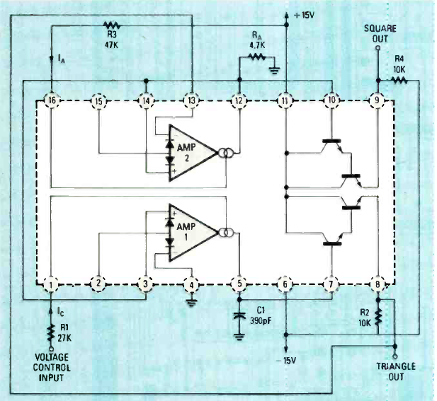
Encontramos este circuito na revista Radio Electronics de julho de 1988. As frequências são dadas pelo capacitor C1 e a entrada de tensão é feita no pino 1.

Encontramos este circuito na revista Radio Electronics de julho de 1988. As frequências são dadas pelo capacitor C1 e a entrada de tensão é feita no pino 1.
