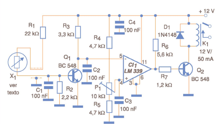
O termostato de uso geral exibido na figura usa um termistor de alto valor resistivo como sensor. Termistores na faixa dos 47 k ohms a 220 kohms podem ser utilizados e em sua função o valor de R3 deve ser alterado para se obter a sensibilidade desejada e o ponto de disparo do relé. Com o emprego de uma etapa amplificadora transistorizada, as pequenas variações de resistência do termistor são detectadas levando o circuito ao ponto de disparo. O ajuste desse ponto de disparo é dado pelo trimpot ligado à entrada de referência do comparador. Para maior precisão deverá ser usado um trimpot do tipo multivoltas. O relé usado é do tipo sensível com uma bobina de 50 mA (no máximo) e tensão de acordo com aquela da alimentação. Se o sensor ficar algo distante do circuito (mais de 2 metros), deverá ser usado cabo blindado com a malha devidamente aterrada. O capacitor de 100 nF na entrada do termistor evita que transientes ou pulsos de curta duração provoquem o disparo errático do circuito. A fonte de alimentação deve ser estabilizada para não afetar o ponto de disparo do circuito. Uma possibilidade que pode ser analisada para algumas aplicações está na colocação de um diodo comum polarizado inversamente como sensor de temperatura.
















