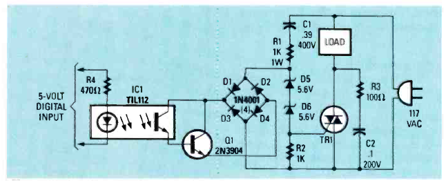
Este circuito é um excelente shield para microcontroladores tendo sido encontrado na revista Radio Electronics de outubro de 1987. Ele pode ser usado com outras tensões, conforme o triac e o opto-isolador admite versões mais modernas.
Este circuito é um excelente shield para microcontroladores tendo sido encontrado na revista Radio Electronics de outubro de 1987. Ele pode ser usado com outras tensões, conforme o triac e o opto-isolador admite versões mais modernas.