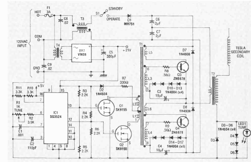
Este circuito é um dos muitos que temos em nossa seção. Foi tirado da revista Electronics Experimenter Handbook de 1993. L1 tem 10 espiras e L2 tem 1 000 espiras num tubo de PVC ou papelão de 1 a 2 polegadas.

Este circuito é um dos muitos que temos em nossa seção. Foi tirado da revista Electronics Experimenter Handbook de 1993. L1 tem 10 espiras e L2 tem 1 000 espiras num tubo de PVC ou papelão de 1 a 2 polegadas.
