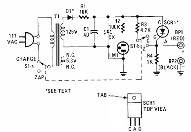
Este carregador de baterias foi encontrado no Electronics Experimenter Special Projects de 1983. O circuito usa um SCR como elemento de controle.

Este carregador de baterias foi encontrado no Electronics Experimenter Special Projects de 1983. O circuito usa um SCR como elemento de controle.
