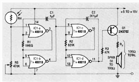
Este circuito de alarme foi encontrado na revista Radio Electronics de julho de 1992. O circuito usa uma pequena etapa de potência para o alto falante e tem o ajuste de sensibilidade em R5.

Este circuito de alarme foi encontrado na revista Radio Electronics de julho de 1992. O circuito usa uma pequena etapa de potência para o alto falante e tem o ajuste de sensibilidade em R5.
