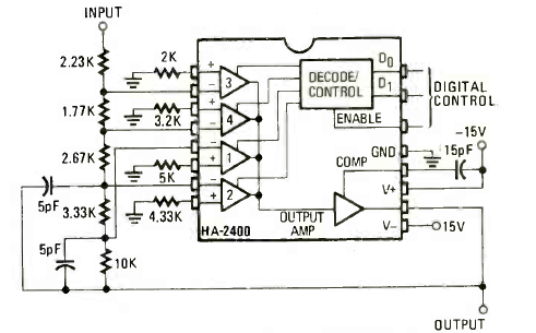
Este circuito com o HA2400 foi encontrado na revista Radio Electronics de março de 1980. O circuito tem um controle de ganho digital e deve ser alimentado por fonte simétrica de 15 V.

Este circuito com o HA2400 foi encontrado na revista Radio Electronics de março de 1980. O circuito tem um controle de ganho digital e deve ser alimentado por fonte simétrica de 15 V.
