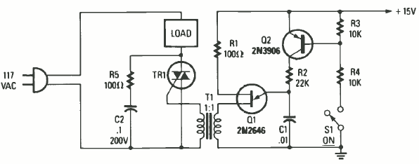
Este circuito com triac foi encontrado na revista Radio Electronics de outubro de 1987. O triac é de acordo com a carga devendo ser montado em dissipador de calor.

Este circuito com triac foi encontrado na revista Radio Electronics de outubro de 1987. O triac é de acordo com a carga devendo ser montado em dissipador de calor.
