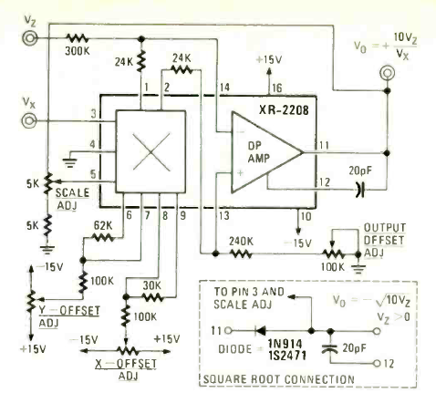
Este circuito divide o valor de uma tensão pelo valor de outra., O circuito usado em computação analógica foi encontrado na revista Radio Electronics de abril de 1978. A fonte de alimentação deve ser simétrica.

Este circuito divide o valor de uma tensão pelo valor de outra., O circuito usado em computação analógica foi encontrado na revista Radio Electronics de abril de 1978. A fonte de alimentação deve ser simétrica.
