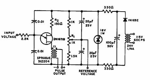
Este circuito foi encontrado numa documentação da General Electric de 1965. A finalidade deste circuito é detectar quando a tensão de entrada ultrapassa a tensão de referência, gerando então pulsos de saída.

Este circuito foi encontrado numa documentação da General Electric de 1965. A finalidade deste circuito é detectar quando a tensão de entrada ultrapassa a tensão de referência, gerando então pulsos de saída.
