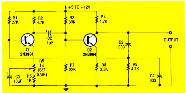
Este oscilador por ponte de Viena gera um sinal senoidal cuja frequência depende basicamente de C2 e C4. O circuito é de uma Electronics Now de dezembro de 1993.

Este oscilador por ponte de Viena gera um sinal senoidal cuja frequência depende basicamente de C2 e C4. O circuito é de uma Electronics Now de dezembro de 1993.
