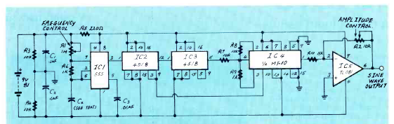
Este circuito gera sinais senoidais que dependem do oscilador de entrada. O circuito é de uma Radio Elecrtronics de abril de 1988. Os sinais estão na faixa de algumas centenas de quilohertz.

Este circuito gera sinais senoidais que dependem do oscilador de entrada. O circuito é de uma Radio Elecrtronics de abril de 1988. Os sinais estão na faixa de algumas centenas de quilohertz.
