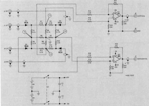
Este circuito multiplexador de sinais para osciloscópios antigos de baixa frequência foi encontrado na revista Radio Electronics de maio de 1977. O circuito exige fonte simétrica.

Este circuito multiplexador de sinais para osciloscópios antigos de baixa frequência foi encontrado na revista Radio Electronics de maio de 1977. O circuito exige fonte simétrica.
