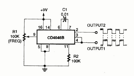
Este circuito foi encontrado na revista Electronics Now de agosto de 1994. O 4046 é pouco comum em nossos dias e a faixa de frequências é dada por C1.

Este circuito foi encontrado na revista Electronics Now de agosto de 1994. O 4046 é pouco comum em nossos dias e a faixa de frequências é dada por C1.
