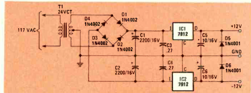
Esta fonte simétrica aparece em nossa seção em muitas versões. Esta é da revista Radio Electronics de julho de 1984. Os circuitos integrados devem ser dotados de dissipador. A tensão é 12 + 12 V e a corrente 1 A.

Esta fonte simétrica aparece em nossa seção em muitas versões. Esta é da revista Radio Electronics de julho de 1984. Os circuitos integrados devem ser dotados de dissipador. A tensão é 12 + 12 V e a corrente 1 A.
