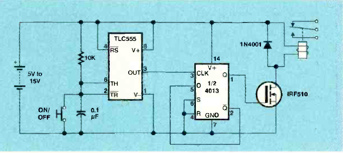
Este circuito biestável que aciona um relé com um pulsador foi encontrado na revista Electronics Now de março de 1pp6. Pode ser usado um bipolar comum com um resistor de 1k na base em lugar do FET.
Este circuito biestável que aciona um relé com um pulsador foi encontrado na revista Electronics Now de março de 1pp6. Pode ser usado um bipolar comum com um resistor de 1k na base em lugar do FET.