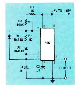
Encontramos este circuito na revista Radio Electronics de outubro de 1992. O ciclo ativo pode ir de 0 a 99%. A frequência é dada por C1.

Encontramos este circuito na revista Radio Electronics de outubro de 1992. O ciclo ativo pode ir de 0 a 99%. A frequência é dada por C1.
