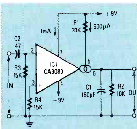
Este amplificador AC tem um ganho de 40 dB. Foi encontrado na revista Radio Electronics de maio de 1988. O CA3080 é um OTA, amplificador de transcondutância.

Este amplificador AC tem um ganho de 40 dB. Foi encontrado na revista Radio Electronics de maio de 1988. O CA3080 é um OTA, amplificador de transcondutância.
