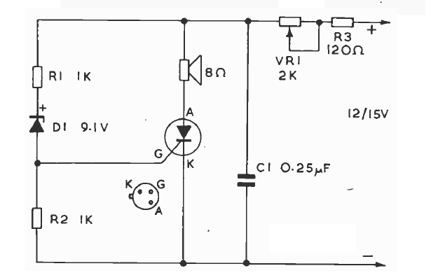
Este interessante oscilador foi obtido numa documentação antiga. Em princípio qualquer SCR da série 106 funciona. O zener deve ter tensão menor do que a usada na alimentação.

Este interessante oscilador foi obtido numa documentação antiga. Em princípio qualquer SCR da série 106 funciona. O zener deve ter tensão menor do que a usada na alimentação.
