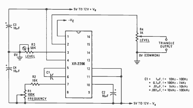
Encontrado numa Radio Electronics de abril de 1977, este circuito usa o conhecido XR2206. Os valores de C1 para as diversas faixas de frequência são dados junto ao diagrama.

Encontrado numa Radio Electronics de abril de 1977, este circuito usa o conhecido XR2206. Os valores de C1 para as diversas faixas de frequência são dados junto ao diagrama.
