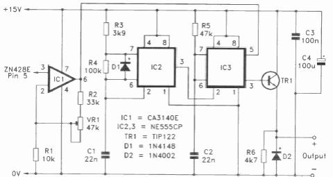
Este circuito foi encontrado em documentação sobre PCs de 1996. A corrente máxima do motor é determinada pelo transistor.

 


 

 

 

NO YOUTUBE


NOSSO PODCAST