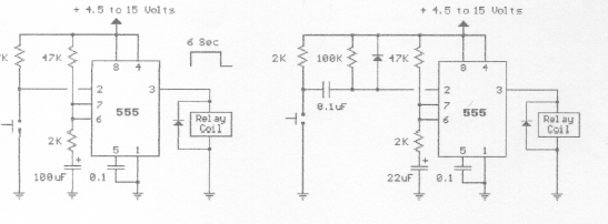
Este circuito é dado em duas versões, tendo sido encontrado em uma publicação dos anos 90. O segundo circuito é usado para longos intervalos com a chave isolada, ou seja, ele desliga mesmo depois do intervalo programado se completar se a chave estiver ligado.
















