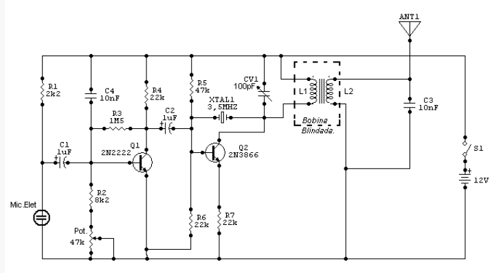
Este transmissor foi enviado pelo leitor colaborador Adriano Muniz Moura de Pirapora – MG. Ele em 80 metros da faixa de ondas curtas (3,5 MHz) e tem o oscilador fixo devido o uso do cristal oscilador. A modulação vem de um microfone de eletreto com ajuste de modulação feita em pot1. CV1 faz a calibração fina do transmissor além de ajustar a potência. As bobinas são confeccionadas da seguinte maneira: L1 é formada por 45 espiras de fio 0,3mm em núcleo de ferrite e com 6mm de diâmetro já L2 é confeccionada sobre L1 com 15 espiras de mesmo fio. Caso fique difícil o ajuste do transmissor diminua a quantidade de espiras de L2 passando para 10 espiras. O transistor 2N3866 pode ser substituído para uma potência maior como por exemplo 2SC2078 e deve possuir um bom dissipador de calor. A fonte de alimentação deve ter uma tensão de 12V e corrente de aproximadamente 5A. A placa usada deve ser de fibra de vidro para uma maior qualidade de sinal e melhor ajuste de potência. Os resistores são de 1/8w e os capacitores são de cerâmica tipo disco exceto C1 que é do tipo eletrolítico. A bobina deve ser totalmente blindada e aterrada no negativo da fonte. O equipamento pode ser apresentado em feiras de ciências como demonstração de meios de comunicação e mesmo treinamento em CW.
















