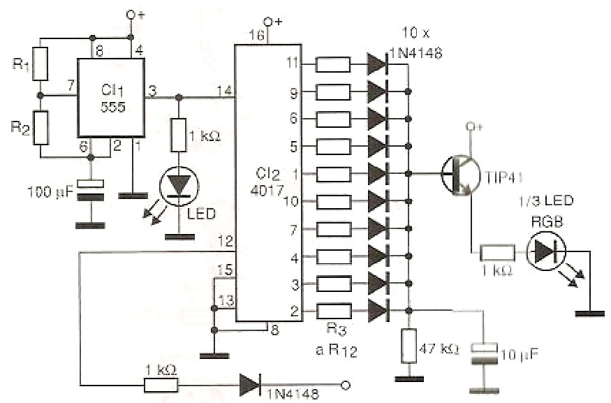
O circuito analisado aqui consiste em três osciladores independentes baseados no NE555, com frequências e ciclos ativos, diferentes, cada qual alimentando um CD4017. As saídas dos 4017 são ligadas a resistores de valores, diferentes, excitando então as bases de três transistores TIP41. Do mesmo modo que a corrente em cada transistor varia conforme a entrada excitada, os brilhos dos LEDs correspondentes também. Isso faz com que uma infinidade de cores sejam geradas de maneira aleatória.
O autor montou os três blocos com resistores de mesmos valores. Com a retirada de alguns, resistores são gerados efeitos diferentes. Os resistores da base dos transistores são importantes, devendo ser usado um valor máximo de 100 k. Os capacitores de tempo podem ser modificados para se obter efeitos diferentes.
Nas figuras temos o diagrama de um bloco (devem ser monta- dos três), incluindo a sugestão de placa de circuito impresso para a montagem. Podem ser alimenta- dos conjuntos paralelos de LEDs e, se a corrente total for maior do que 500 mA, neste caso, os transistores deverão ser dotados de radiadores de calor. A alimentação deve ser feita com fonte de 6 a 12 V. Os valores dos resistores R3 a R12 são: 100, 90, 82, 68, 56, 47, 33 k ohms ou 39, 27, 10 e 1k ohms.
Obs.: Existem diversas alterações que podem ser feitas neste projeto, segundo a vontade do leitor. Uma delas seria trocar R2 por um trimpot em série com um resistor de 4 k7e assim obter um ajuste do efeito.
ET137/2009
















