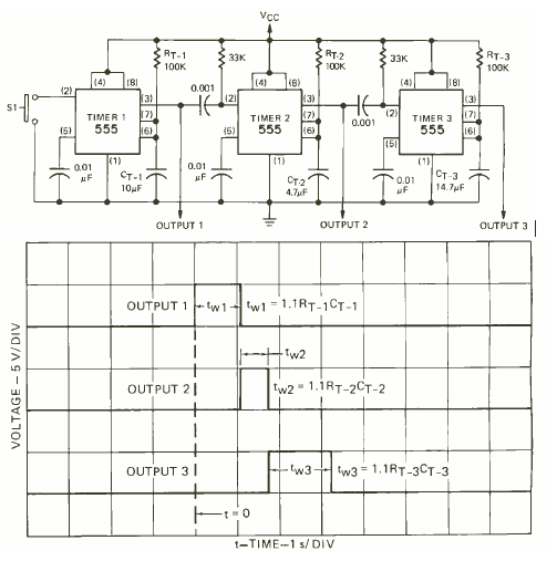
Já exploramos esta configuração em artigos de nosso site e mesmo em projetos. Esta é uma das primeiras que encontramos agora na revista Radio Electronics de março de 1976. As formas de sinal obtidas são dadas junto ao diagrama.

Já exploramos esta configuração em artigos de nosso site e mesmo em projetos. Esta é uma das primeiras que encontramos agora na revista Radio Electronics de março de 1976. As formas de sinal obtidas são dadas junto ao diagrama.
